竞彩体育_3d直播新浪彩票

欢迎访问-竞彩体育_3d直播新浪彩票
当前位置:首页 > 新闻-竞彩体育 > 3d直播新浪彩票

家庭使用的配电箱内有哪些元件都有啥作业?怎么配置配电箱?

  配电箱是连接电源与用电设备的中间装置,它除了分配电能外,还具有对用电设备做控制、测量、指示及保护等功能。

  由自动空气开关电能表、分路开关、零线接线排及若干连接导线组成。其中自动空气开关和漏电保护器两者组合为一,即带漏电保护的自动空气开关。下面我们来学习下家用配电箱的配置及配电箱的元件。树上鸟教育电气设计师在线教学网络课程!

  家里的配电箱一般有一个总开关和若干区域的分开关组成,除了满足家庭各个空间的电器电源通断外,还需满足安全保护功能,如短路、过载、漏电时要迅速动作,切断电源。

  短路和过载保护,这个任务交给断路器好了,那么最最重要的防止人触电的漏电保护设施在哪里呢?漏电是怎么一回事呢?

  如图2所示,当由于绝缘破损等问题导致设备漏电时,若设备未接地,若此时人触摸设备,则漏电流将流经人体与大地构成回路,因此导致触电。

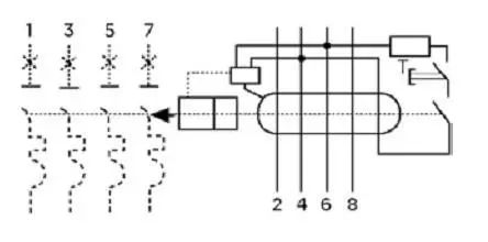
  防止人触电的漏电保护设施学名叫剩余电流动作装置(简称RCD),当电路中的漏电电流大于允许值时,能自动断电或报警。它通常与同路的断路器装在一起,称为漏保断路器(RCD+MCB,或RCCB),或简称漏保。

  所以,家用配电箱里不外乎两种元件:小型断路器和漏保断路器。如图3所示为单极断路器和双极漏保断路器。

  现在知道RCD长什么样了吧?体积变胖的漏保断路器就是多了RCD的断路器,RCD有个测试按钮,应在通电状态下定期按一次以测试漏电保护器是不是正常动作跳闸,如果按下不能跳闸,应按时换,才能起到安全作用。

  铁芯上有三个线所示):输入电流线圈(红),输出电流线圈(绿),称为感应线圈;第三个线圈,称为跳闸线圈(蓝)。

  正常情况下不漏电,I1=I2,铁芯上二磁通的矢量和为零(磁场相互抵消),跳闸线圈(trip coil)中电流I3=0,没有电磁力产生,所以脱扣机构不动作,开关不跳闸。

  电源火线和零线连接至端子①,负载连接至端子②。当复位按钮③被按下时,触点④及隐藏在电磁铁⑤后面的触点可以闭合,允许电流通过。

  两个指标是动作电流和动作时间,I△n就是 I1-I2,0.03A表示30mA;t就是动作时间,≤0.1s表示小于100ms。

  如果把图10画到电气图纸中,就显得繁琐了,所以RCD在电气图纸中的符号简化为图11。在断路器符号上加圆圈,表示环形铁芯,能检测电流,这样漏保断路器和普通断路器就区别开了。文字代号还是QF。

  (2)计算每个回路内的用电量,然后依照我们的用电量来计算出这个回路的计算电流。

  照明回路的开关,一般也选用2P或者是1P+N的空气开关,基本上选用c16安的就可以了。

  如果我们仍旧是不会配家里的配电箱里面的开关的话,其实我们大家可以直接去卖开关的那里,给他说清楚我们房屋的大小,以及家里大致有哪些家用电器。